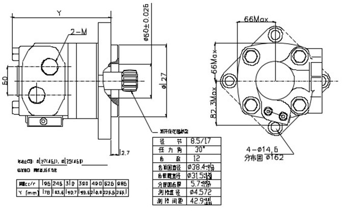
GN6系列马达是一种端面配流式摆线液压 马达.采用先进的镶柱式定转子参数设计,具有工作效率高,工作压力高,启动压力低,运转平稳,双向可获得同样的输出扭矩.可靠的 轴动密封.为满足不同结构设计的需要,J6K系列 马达有三种结 构 型式:
标准结构马达; 车轮马达 ;无轴承马达
特点:
· 采用先进的定转子参数设计,启动压力低,效率高,低速 运转平稳.
· 能够承受较高的工作压力,输出扭矩高
· 先进的轴密封设计,高的背压承受能力.
· 先进可靠的联动轴设计,使马达具有长寿命
· .先进的配流机构设计,具有配流精度高和磨损自动补偿的特点
· 马达结构紧凑,便于安装.
· 马达允许串联和并联使用,串联使用时应接外泄油管
· 采用圆锥滚子轴承支撑设计,具有较大的径向承载能力,使得马达可直接驱动工作机构,无需加 外部轴承
• 车轮马达是一种法兰在马达的中部,更有利于马达的承载能力,且可使马达置于车轮内,结构紧 凑
· 应避免同时在最高扭矩和最大转速下使用马达。
· 表中所列扭矩值适用于直径1.75“ 的锥轴, 1.5” 的输出轴允许的最大连续扭矩
和间断扭矩为1325 Nm 和 1650 Nm
· 超过允许背压时,应接外泄管,并保证马达内腔总能充满液压油。
· 最大入口压力为 31 MPa ,但工作压力差应符合上表要求
· 最大回油背压7Mpa, 但为保证马达长寿命可靠工作,推荐当回油背压大于3.5Mpa时 接外泄油管.
· 马达间断工作持续时间不超过 6 秒钟;峰值工作持续时间不超过 0.6 秒钟。
· 系统最大工作温度: 82ºC
· 推荐用油: 抗磨液压油,工作条件下的粘度不低于 13 cSt 。
滤清精度 : ISO 18/13
· 在马达全负载工作前,应在额定压力的 30% 下运转约 1 小时,确保在满负荷工作前马达 内腔充满液压油
Add:中国-济宁-国家高新技术产业开发区山博路8号
Tel:400-086-1276
E-Mail:service#wolwa.cn(将#换成@)

官方微信二维码
Copyright Right © 2005 www.wolwa.cn Powered By 沃尔华集团有限公司 鲁ICP备10206551号