最大工作压力指入口最大允许压力,额定工作压力指工作压差不应同时在最大转速和最大压力下使用马达,最大工作条件允许持续的时间为6秒推荐用油: 抗磨液压油,粘度37~73cst,油液清洁度ISO18/13最高工作油温80°C
该系列马达采用特殊的进口轴密封组件,马达允许的最大背压可达 10 MPa ,但为获 得良好 的寿命及综合机械性能,推荐使用背压不要超过 5 MPa,超过时建议接外泄油管接外泄管时,应保证马达内总能充满油,外泄管路应有一定的节流保持3.5bar以上的背压接外泄油管除可以保持较低的背压外,还可 以使马达内产生的磨损污染带走,并可产生一定的冷却作用。
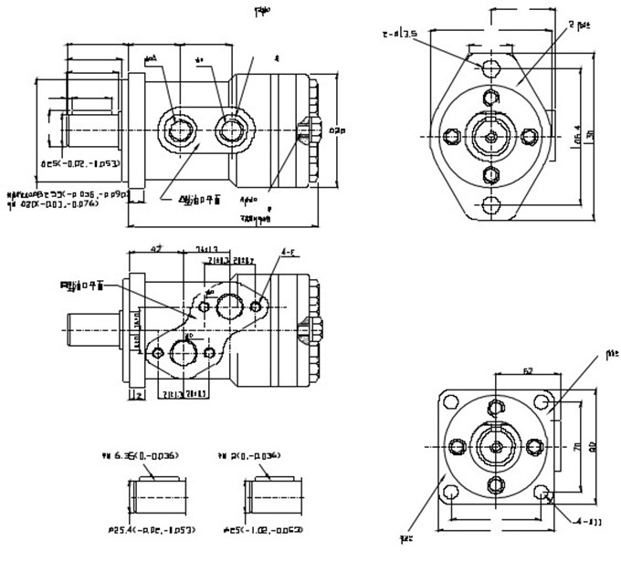
面向输出轴,当A口进油B口回油,马达顺时针旋转
Add:中国-济宁-国家高新技术产业开发区山博路8号
Tel:400-086-1276
E-Mail:service#wolwa.cn(将#换成@)

官方微信二维码
Copyright Right © 2005 www.wolwa.cn Powered By 沃尔华集团有限公司 鲁ICP备10206551号