|
型号 |
GN40 |
||
|
额定载荷 |
kg |
2000 |
|
|
整机重量 |
kg |
2280 |
|
|
发动机功率 |
kw |
40 |
|
|
速度 |
第一档 |
km/h |
0-4.6 |
|
第二档 |
0-5.4 |
||
|
第三档 |
0-8.0 |
||
|
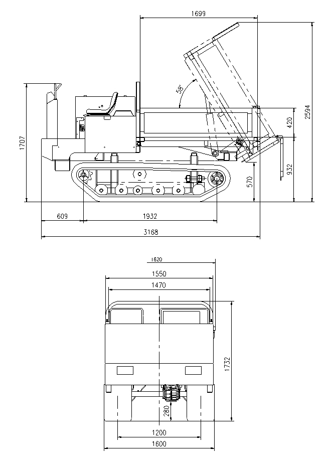
橡胶履带尺寸 |
400*90*54 |
||
|
整车尺寸 |
长度 |
mm |
3168 |
|
宽度 |
mm |
1620 |
|
|
高度 |
mm |
1732 |
|
|
轮距 |
mm |
1932 |
|
|
离地净高 |
mm |
280 |
|
|
接地比压 |
空载 |
Kpa |
20.2 |
|
满载 |
37.9 |
||
|
铲斗容量(Level) |
m3 |
1 |
|
|
最大倾斜角度 |
58° |
||
|
卸载高度 |
mm |
570 |
|
|
载体倾倒时间(From Level to Tilt) |
s |
5 |
|
|
液压系统 |
液压传动 |
||
|
系统压力 |
MPA |
16 |
|
|
油箱容量 |
L |
48 |
|


Add:中国-济宁-国家高新技术产业开发区山博路8号
Tel:400-086-1276
E-Mail:service#wolwa.cn(将#换成@)

官方微信二维码
Copyright Right © 2005 www.wolwa.cn Powered By 沃尔华集团有限公司 鲁ICP备10206551号